✕
8 800 775-77-55
О компании
Контакты
Оплата и доставка
Тендеры и гос. заказ
8 800 775-77-55
Заказать звонок
1
230s
Каталог запасных частей
Инструкция по эксплуатации
Техобслуживание
Сервис
Сайт JingGong
Трансмиссия
Напольный коврик
Кабина (1)
Конструкция тормозной системы
Гидролиния ковша и рукояти
Пилотная линия (8)
Пилотная линия (3)
Электрическая система - кабина
Электрическая система - проводка
Тавотницы
Педаль
Люк кабины
Демпферные уплотнения
Кабина (4)
Боковая дверь (2)
Пилотная линия (7)
Боковая дверь (1)
Выдвижное сиденье
Корпус отопителя
Кабина (2)
Рулевой мотор
Пилотная линия (5)
Топливная система
Электрическая система - консоль
Генератор
Боковая часть внешнего корпуса
Электрическая система - двигатель
Основание кабины
Трубопровод масляного радиатора
Дверная ручка в сборе
Кронштейн сиденья
Система охлаждения
Противовес
Ковш
Гидравлический бак
Топливный бак
Рама сидения
Радио
Пилотная линия (2)
Трубопровод масляного радиатора.
Пилотная линия (1)
Электрическая система - рабочее освещение
Защитные пластины корпуса
Кронштейны
Рукоять
Гидролиния стрелы
Амортизатор сиденья
Гидролиния – ковш
Радиатор
Электрическая система
Гидролиния – рулевой мотор
Основная рама
Кондиционер (1)
Дефлектор
Нижняя защитная пластина
Аккумулятор
Капот двигателя
Кондиционер (2)
Насос
Трубопровод масляного радиатора (2)
Стрела
Сиденье
Гидролиния - стрела
Панель управления (справа)
Гидролиния – главный насос
Радиатор в сборе
Пилотная линия (6)
Гидролиния
Панель управления (слева)
Глушитель
Нижняя рама в сборе
Воздушный фильтр
Пол кабины
Кабина (3)
Пилотная линия (9)
Пилотная линия (4)
Рулевое управление
Скачать каталог
JingGong 230s
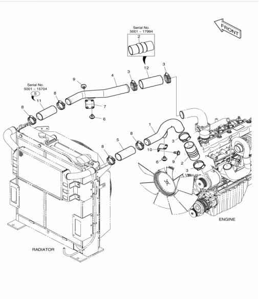
1. K1012144 Трубка
В корзину
-
+
2. K1038559 Шланг
В корзину
-
+
3. 124-00194 Зажим
В корзину
-
+
3. S8500092 Хомут для шланга
В корзину
-
+
4. K1006778B Трубка
В корзину
-
+
5. K1045910 Шланг
В корзину
-
+
5. K1045910 Шлан
В корзину
-
+
6. DS0025014 Болт
В корзину
-
+
7. K1000663 Кронштейн
В корзину
-
+
8. K1000704A Втулка
В корзину
-
+
8. S8500079 Хомут для шланга
В корзину
-
+
9. DS0025023 Болт
В корзину
-
+
10. K1012143 Болт
В корзину
-
+
11. 420101-00987 Труба
В корзину
-
+
12. 420101-01450 Шланг
В корзину
-
+
✕
Заказать звонок
Заказать
✕
Заказать звонок
Спасибо, менеджер скоро перезвонит вам.