✕
8 800 775-77-55
О компании
Контакты
Оплата и доставка
Тендеры и гос. заказ
8 800 775-77-55
Заказать звонок
1
230s
Каталог запасных частей
Инструкция по эксплуатации
Техобслуживание
Сервис
Сайт JingGong
Трансмиссия
Напольный коврик
Кабина (1)
Конструкция тормозной системы
Гидролиния ковша и рукояти
Пилотная линия (8)
Пилотная линия (3)
Электрическая система - кабина
Электрическая система - проводка
Тавотницы
Педаль
Люк кабины
Демпферные уплотнения
Кабина (4)
Боковая дверь (2)
Пилотная линия (7)
Боковая дверь (1)
Выдвижное сиденье
Корпус отопителя
Кабина (2)
Рулевой мотор
Пилотная линия (5)
Топливная система
Электрическая система - консоль
Генератор
Боковая часть внешнего корпуса
Электрическая система - двигатель
Основание кабины
Трубопровод масляного радиатора
Дверная ручка в сборе
Кронштейн сиденья
Система охлаждения
Противовес
Ковш
Гидравлический бак
Топливный бак
Рама сидения
Радио
Пилотная линия (2)
Трубопровод масляного радиатора.
Пилотная линия (1)
Электрическая система - рабочее освещение
Защитные пластины корпуса
Кронштейны
Рукоять
Гидролиния стрелы
Амортизатор сиденья
Гидролиния – ковш
Радиатор
Электрическая система
Гидролиния – рулевой мотор
Основная рама
Кондиционер (1)
Дефлектор
Нижняя защитная пластина
Аккумулятор
Капот двигателя
Кондиционер (2)
Насос
Трубопровод масляного радиатора (2)
Стрела
Сиденье
Гидролиния - стрела
Панель управления (справа)
Гидролиния – главный насос
Радиатор в сборе
Пилотная линия (6)
Гидролиния
Панель управления (слева)
Глушитель
Нижняя рама в сборе
Воздушный фильтр
Пол кабины
Кабина (3)
Пилотная линия (9)
Пилотная линия (4)
Рулевое управление
Скачать каталог
JingGong 230s
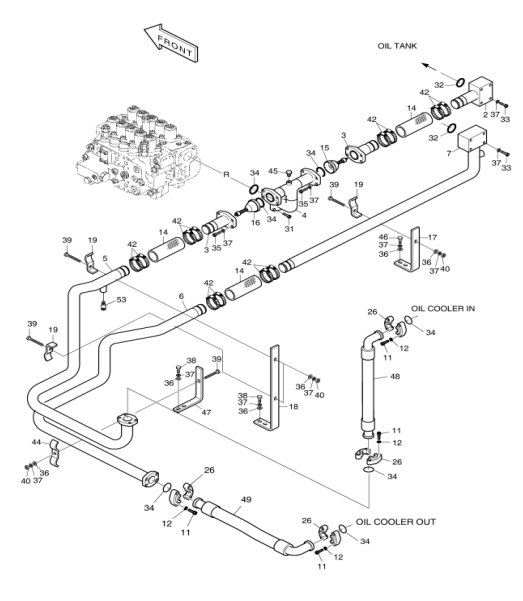
2. 2140-1186A-A Трубка
В корзину
-
+
3. 2140-1185A-A Трубка
В корзину
-
+
4. 2140-1184A Трубка
В корзину
-
+
4. 420207-01788 Трубка
В корзину
-
+
5. 420207-01730 Трубка
В корзину
-
+
5. 420207-01730A Трубка
В корзину
-
+
6. 420207-01731 Трубк
В корзину
-
+
6. 420207-01731A Трубка
В корзину
-
+
7. 420207-01746 Трубка
В корзину
-
+
11. S2215466 Болт
В корзину
-
+
12. S5110703 Эластичная прокладка
В корзину
-
+
14. 2185-1776D2 Шланг
В корзину
-
+
15. 2420-1125B Перепускной клапан
В корзину
-
+
15. 410128-00055 Перепускной клапан
В корзину
-
+
16. 2420-1124B Перепускной клапан
В корзину
-
+
16. 410128-00043 Перепускной клапан
В корзину
-
+
17. 2891-1093A Доска
В корзину
-
+
18. 2197-1458A Кронштейн
В корзину
-
+
19. 2124-1224D2 Зажим трубы
В корзину
-
+
26. 4215-1003D6-A Фланец
В корзину
-
+
31. S2215366 Болт
В корзину
-
+
32. 2180-1026D28 Уплотнительное кольцо
В корзину
-
+
33. S0561253 Болт
В корзину
-
+
34. 2180-1026D27 Уплотнительное кольцо
В корзину
-
+
35. S0560953 Болт
В корзину
-
+
36. S5010713 Прокладка
В корзину
-
+
37. S5102703 Пружинная прокладка
В корзину
-
+
38. S0560453 Болт
В корзину
-
+
39. S0561353 Болт
В корзину
-
+
40. S4012733 Гайка
В корзину
-
+
42. S8500079 Хомут для шланга
В корзину
-
+
44. 2124-1340D6 Зажим трубы
В корзину
-
+
45. 2181-2047A Пробка
В корзину
-
+
46. S0515253 Болт
В корзину
-
+
47. 2891-1367A Пластина
В корзину
-
+
48. DS2040900 Шланг
В корзину
-
+
49. DS2040346 Шланг
В корзину
-
+
53. 120-00002 Регулировочные винты
В корзину
-
+
61. 420207-01789 Трубка
В корзину
-
+
✕
Заказать звонок
Заказать
✕
Заказать звонок
Спасибо, менеджер скоро перезвонит вам.