✕
8 800 775-77-55
О компании
Контакты
Оплата и доставка
Тендеры и гос. заказ
8 800 775-77-55
Заказать звонок
6
230s
Каталог запасных частей
Инструкция по эксплуатации
Техобслуживание
Сервис
Сайт JingGong
Трансмиссия
Напольный коврик
Кабина (1)
Конструкция тормозной системы
Гидролиния ковша и рукояти
Пилотная линия (8)
Пилотная линия (3)
Электрическая система - кабина
Электрическая система - проводка
Тавотницы
Педаль
Люк кабины
Демпферные уплотнения
Кабина (4)
Боковая дверь (2)
Пилотная линия (7)
Боковая дверь (1)
Выдвижное сиденье
Корпус отопителя
Кабина (2)
Рулевой мотор
Пилотная линия (5)
Топливная система
Электрическая система - консоль
Генератор
Боковая часть внешнего корпуса
Электрическая система - двигатель
Основание кабины
Трубопровод масляного радиатора
Дверная ручка в сборе
Кронштейн сиденья
Система охлаждения
Противовес
Ковш
Гидравлический бак
Топливный бак
Рама сидения
Радио
Пилотная линия (2)
Трубопровод масляного радиатора.
Пилотная линия (1)
Электрическая система - рабочее освещение
Защитные пластины корпуса
Кронштейны
Рукоять
Гидролиния стрелы
Амортизатор сиденья
Гидролиния – ковш
Радиатор
Электрическая система
Гидролиния – рулевой мотор
Основная рама
Кондиционер (1)
Дефлектор
Нижняя защитная пластина
Аккумулятор
Капот двигателя
Кондиционер (2)
Насос
Трубопровод масляного радиатора (2)
Стрела
Сиденье
Гидролиния - стрела
Панель управления (справа)
Гидролиния – главный насос
Радиатор в сборе
Пилотная линия (6)
Гидролиния
Панель управления (слева)
Глушитель
Нижняя рама в сборе
Воздушный фильтр
Пол кабины
Кабина (3)
Пилотная линия (9)
Пилотная линия (4)
Рулевое управление
Скачать каталог
JingGong 230s
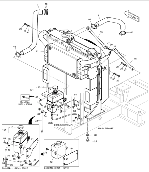
0. 150109-00018 Двигатель в сборе
В корзину
-
+
2. K1000752C Радиатор в сборе
В корзину
-
+
2. 440211-00584 Радиатор в сборе
В корзину
-
+
2. 440211-00584B Радиатор в сборе
В корзину
-
+
2. 440211-00584C Радиатор в сборе
В корзину
-
+
7. K1006781 Труба
В корзину
-
+
7. 420109-01191 Шланг
В корзину
-
+
8. K1006780 Труба
В корзину
-
+
8. 420109-00643 Шланг
В корзину
-
+
8. 420109-00643A Шланг
В корзину
-
+
13. K1038409 Резервный бак
В корзину
-
+
13. 450107-00018 Резервный ба
В корзину
-
+
15. K1000563B Кронштейн
В корзину
-
+
15. 101582-01408 Опора резервуара для воды
В корзину
-
+
22. K1004515 Шланг
В корзину
-
+
22. DS2160002 Шланг
В корзину
-
+
28. 2114-1816A Прокладка
В корзину
-
+
29. S0512466 Болт
В корзину
-
+
30. S5102903 Шайба
В корзину
-
+
31. 124-00208D2 Зажим для трубы
В корзину
-
+
34. K1001029 Болт
В корзину
-
+
35. DS0025016 Болт
В корзину
-
+
45. S8450012 Зажим для трубы
В корзину
-
+
45. DS2807008 Хомут для шланга
В корзину
-
+
45. DS2809001 Зажим для трубы
В корзину
-
+
46. S8470075 Хомут для шланга
В корзину
-
+
46. S8500079 Хомут для шланга
В корзину
-
+
47. S5010913 Прокладка
В корзину
-
+
54. K1040048 Кронштейн
В корзину
-
+
54. 110406-04951 Кронштейн, резервный бак
В корзину
-
+
54. 110406-05703 Кронштейн, резервный бак
В корзину
-
+
55. K1047774 Кронштейн
В корзину
-
+
55. 101582-01409 Опора резервуара для воды
В корзину
-
+
58. S0512266 Шестигранный болт
В корзину
-
+
66. 120804-00078 Прокладка
В корзину
-
+
68. DS2160026 Шланг
В корзину
-
+
68. DS2160025 Шланг
В корзину
-
+
101. 450107-00055 Резервный ящик
В корзину
-
+
101. 450107-00055A Резервный ящик
В корзину
-
+
101-1. 110910-02504 Крышка бака
В корзину
-
+
✕
Заказать звонок
Заказать
✕
Заказать звонок
Спасибо, менеджер скоро перезвонит вам.