✕
8 800 775-77-55
О компании
Контакты
Оплата и доставка
Тендеры и гос. заказ
8 800 775-77-55
Заказать звонок
1
230s
Каталог запасных частей
Инструкция по эксплуатации
Техобслуживание
Сервис
Сайт JingGong
Трансмиссия
Напольный коврик
Кабина (1)
Конструкция тормозной системы
Гидролиния ковша и рукояти
Пилотная линия (8)
Пилотная линия (3)
Электрическая система - кабина
Электрическая система - проводка
Тавотницы
Педаль
Люк кабины
Демпферные уплотнения
Кабина (4)
Боковая дверь (2)
Пилотная линия (7)
Боковая дверь (1)
Выдвижное сиденье
Корпус отопителя
Кабина (2)
Рулевой мотор
Пилотная линия (5)
Топливная система
Электрическая система - консоль
Генератор
Боковая часть внешнего корпуса
Электрическая система - двигатель
Основание кабины
Трубопровод масляного радиатора
Дверная ручка в сборе
Кронштейн сиденья
Система охлаждения
Противовес
Ковш
Гидравлический бак
Топливный бак
Рама сидения
Радио
Пилотная линия (2)
Трубопровод масляного радиатора.
Пилотная линия (1)
Электрическая система - рабочее освещение
Защитные пластины корпуса
Кронштейны
Рукоять
Гидролиния стрелы
Амортизатор сиденья
Гидролиния – ковш
Радиатор
Электрическая система
Гидролиния – рулевой мотор
Основная рама
Кондиционер (1)
Дефлектор
Нижняя защитная пластина
Аккумулятор
Капот двигателя
Кондиционер (2)
Насос
Трубопровод масляного радиатора (2)
Стрела
Сиденье
Гидролиния - стрела
Панель управления (справа)
Гидролиния – главный насос
Радиатор в сборе
Пилотная линия (6)
Гидролиния
Панель управления (слева)
Глушитель
Нижняя рама в сборе
Воздушный фильтр
Пол кабины
Кабина (3)
Пилотная линия (9)
Пилотная линия (4)
Рулевое управление
Скачать каталог
JingGong 230s
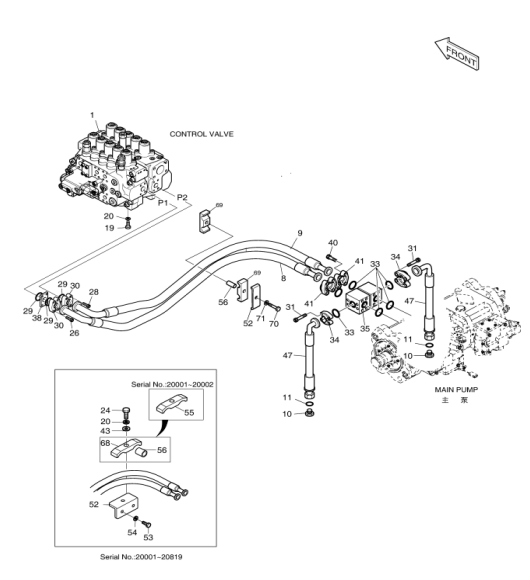
1. 410105-00079 Клапан управлени
В корзину
-
+
8. DS20401123 Шланг
В корзину
-
+
8. DS2096017 Узел шланга
В корзину
-
+
8. DS2096024 Узел шланга
В корзину
-
+
9. DS20401124 Шланг
В корзину
-
+
9. DS2096018 Узел шланга
В корзину
-
+
9. DS2096025 Узел шланга
В корзину
-
+
10. 2181-2218D5 Заглушка
В корзину
-
+
11. S8030121 Уплотнительное кольцо
В корзину
-
+
19. S0515353 Болт
В корзину
-
+
20. S5102703 Пружинная прокладка
В корзину
-
+
24. S0561053 Болт
В корзину
-
+
26. S2212466 Болт
В корзину
-
+
28. S2212266 Болт
В корзину
-
+
29. 2180-1026D19 Уплотнительное кольцо
В корзину
-
+
30. 2181-9078 Фланец
В корзину
-
+
31. S2212066 Болт
В корзину
-
+
33. 2180-1026D2 Уплотнительное кольцо
В корзину
-
+
34. C181-00095 Фланец
В корзину
-
+
35. 423-00143 Клапан
В корзину
-
+
38. 2181-2620 Клапан
В корзину
-
+
40. S2213766 Болт с шестигранным гнездом
В корзину
-
+
41. 2181-9080 Фланец
В корзину
-
+
43. S5010713 Прокладка
В корзину
-
+
47. DS2018082 Шланг
В корзину
-
+
52. 110406-01613 Кронштейн
В корзину
-
+
52. 191-02478 Доска
В корзину
-
+
53. S0512263 Болт
В корзину
-
+
54. S5102603 Прокладка
В корзину
-
+
68. 2124-1025D4 Зажим для трубы
В корзину
-
+
56. 110951-00687 Распорка
В корзину
-
+
56. 2114-1808 Прокладка
В корзину
-
+
69. 2124-1548 Хомут для шланга
В корзину
-
+
70. S0565866 Болт
В корзину
-
+
71. S5102901 Прокладка
В корзину
-
+
✕
Заказать звонок
Заказать
✕
Заказать звонок
Спасибо, менеджер скоро перезвонит вам.