✕
8 800 775-77-55
О компании
Контакты
Оплата и доставка
Тендеры и гос. заказ
8 800 775-77-55
Заказать звонок
0
230s
Каталог запасных частей
Инструкция по эксплуатации
Техобслуживание
Сервис
Сайт JingGong
Трансмиссия
Напольный коврик
Кабина (1)
Конструкция тормозной системы
Гидролиния ковша и рукояти
Пилотная линия (8)
Пилотная линия (3)
Электрическая система - кабина
Электрическая система - проводка
Тавотницы
Педаль
Люк кабины
Демпферные уплотнения
Кабина (4)
Боковая дверь (2)
Пилотная линия (7)
Боковая дверь (1)
Выдвижное сиденье
Корпус отопителя
Кабина (2)
Рулевой мотор
Пилотная линия (5)
Топливная система
Электрическая система - консоль
Генератор
Боковая часть внешнего корпуса
Электрическая система - двигатель
Основание кабины
Трубопровод масляного радиатора
Дверная ручка в сборе
Кронштейн сиденья
Система охлаждения
Противовес
Ковш
Гидравлический бак
Топливный бак
Рама сидения
Радио
Пилотная линия (2)
Трубопровод масляного радиатора.
Пилотная линия (1)
Электрическая система - рабочее освещение
Защитные пластины корпуса
Кронштейны
Рукоять
Гидролиния стрелы
Амортизатор сиденья
Гидролиния – ковш
Радиатор
Электрическая система
Гидролиния – рулевой мотор
Основная рама
Кондиционер (1)
Дефлектор
Нижняя защитная пластина
Аккумулятор
Капот двигателя
Кондиционер (2)
Насос
Трубопровод масляного радиатора (2)
Стрела
Сиденье
Гидролиния - стрела
Панель управления (справа)
Гидролиния – главный насос
Радиатор в сборе
Пилотная линия (6)
Гидролиния
Панель управления (слева)
Глушитель
Нижняя рама в сборе
Воздушный фильтр
Пол кабины
Кабина (3)
Пилотная линия (9)
Пилотная линия (4)
Рулевое управление
Скачать каталог
JingGong 230s
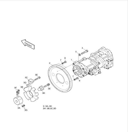
0. 400914-00127 Насосный агрегат в сборе
В корзину
-
+
1. 2401-9225C Главный насос
В корзину
-
+
1. 400914-00027 Главный насос
В корзину
-
+
2. 2229-1077 Фланцевая пластина
В корзину
-
+
2. 229-00012A Фланцевая пластина
В корзину
-
+
3. 2414-9008A Муфта
В корзину
-
+
3A. Муфта
В корзину
-
+
3B. 2474-7009 Муфта
В корзину
-
+
3C. Блок (A)
В корзину
-
+
3D. Блок (R)
В корзину
-
+
3E. K9000422 Болт с шестигранной головкой
В корзину
-
+
3F. Болт
В корзину
-
+
3G. Пружинная шайба
В корзину
-
+
3H. 2474-7009K Блочный компонент
В корзину
-
+
4. S2227966 Болт с шестигранной головкой
В корзину
-
+
4. S2228066 Болт с шестигранной головкой
В корзину
-
+
5. S5111103 Пружинная шайба
В корзину
-
+
5. K1012105 Шайба
В корзину
-
+
6. S0512053 Болт
В корзину
-
+
7. S5102603 Прокладка
В корзину
-
+
8. S0558153 Болт
В корзину
-
+
✕
Заказать звонок
Заказать
✕
Заказать звонок
Спасибо, менеджер скоро перезвонит вам.