✕
8 800 775-77-55
О компании
Контакты
Оплата и доставка
Тендеры и гос. заказ
8 800 775-77-55
Заказать звонок
0
230s
Каталог запасных частей
Инструкция по эксплуатации
Техобслуживание
Сервис
Сайт JingGong
Трансмиссия
Напольный коврик
Кабина (1)
Конструкция тормозной системы
Гидролиния ковша и рукояти
Пилотная линия (8)
Пилотная линия (3)
Электрическая система - кабина
Электрическая система - проводка
Тавотницы
Педаль
Люк кабины
Демпферные уплотнения
Кабина (4)
Боковая дверь (2)
Пилотная линия (7)
Боковая дверь (1)
Выдвижное сиденье
Корпус отопителя
Кабина (2)
Рулевой мотор
Пилотная линия (5)
Топливная система
Электрическая система - консоль
Генератор
Боковая часть внешнего корпуса
Электрическая система - двигатель
Основание кабины
Трубопровод масляного радиатора
Дверная ручка в сборе
Кронштейн сиденья
Система охлаждения
Противовес
Ковш
Гидравлический бак
Топливный бак
Рама сидения
Радио
Пилотная линия (2)
Трубопровод масляного радиатора.
Пилотная линия (1)
Электрическая система - рабочее освещение
Защитные пластины корпуса
Кронштейны
Рукоять
Гидролиния стрелы
Амортизатор сиденья
Гидролиния – ковш
Радиатор
Электрическая система
Гидролиния – рулевой мотор
Основная рама
Кондиционер (1)
Дефлектор
Нижняя защитная пластина
Аккумулятор
Капот двигателя
Кондиционер (2)
Насос
Трубопровод масляного радиатора (2)
Стрела
Сиденье
Гидролиния - стрела
Панель управления (справа)
Гидролиния – главный насос
Радиатор в сборе
Пилотная линия (6)
Гидролиния
Панель управления (слева)
Глушитель
Нижняя рама в сборе
Воздушный фильтр
Пол кабины
Кабина (3)
Пилотная линия (9)
Пилотная линия (4)
Рулевое управление
Скачать каталог
JingGong 230s
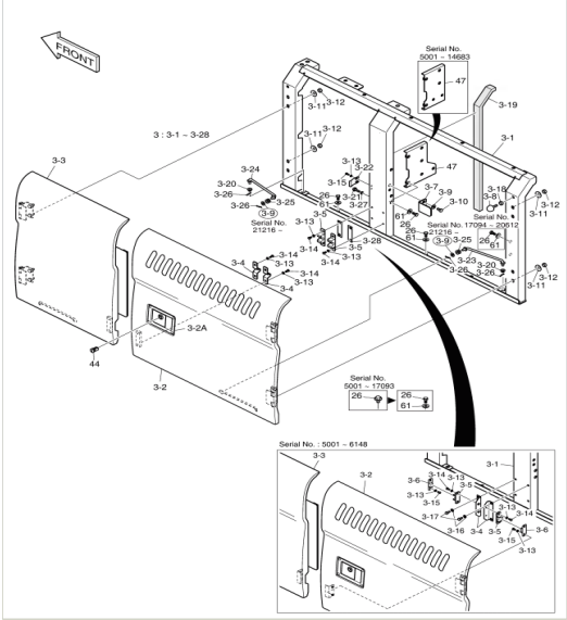
0. 110508-23571 Узел двери в сборе
В корзину
-
+
0. 110508-23571A Узел двери в сборе
В корзину
-
+
0. 110508-23571B Узел двери в сборе
В корзину
-
+
0. 110508-23571C Узел двери в сборе
В корзину
-
+
0. 110508-23571E Узел двери в сборе
В корзину
-
+
0. 110508-23571G Узел двери в сборе
В корзину
-
+
3. K1038922B Боковая дверь в сборе
В корзину
-
+
3. 110982-00129 Боковая дверь в сборе
В корзину
-
+
3. 110982-00129A Боковая дверь в сборе
В корзину
-
+
3. 110982-00129B Боковая дверь в сборе
В корзину
-
+
3. 110982-00129C Боковая дверь в сборе
В корзину
-
+
3. 110982-00129E Боковая дверь в сборе
В корзину
-
+
3. 110982-00129G Боковая дверь в сборе
В корзину
-
+
3. 110982-00129H Боковая дверь в сборе
В корзину
-
+
3. 110982-00129K Боковая дверь в сборе
В корзину
-
+
3. 110982-00129L Боковая дверь в сборе
В корзину
-
+
3-1. K1038917B Кронштейн
В корзину
-
+
3-1. 110958-00230 Опора кронштейна
В корзину
-
+
3-1. 110958-00230A Опора кронштейна
В корзину
-
+
3-1. 110958-00230B Опора кронштейна
В корзину
-
+
3-1. 110958-00230C Опора кронштейна
В корзину
-
+
3-2. K1038918 Боковая дверь
В корзину
-
+
3-2. 110982-00130 Боковая дверь
В корзину
-
+
3-2. 110982-00130A Боковая дверь
В корзину
-
+
3-2. 110982-00130B Боковая дверь
В корзину
-
+
3-2. 110982-00130C Боковая дверь
В корзину
-
+
3-2. 110982-00130E Боковая дверь
В корзину
-
+
3-2A. 125-00034A Замок
В корзину
-
+
3-2A. 101544-00236 Замок
В корзину
-
+
3-3. K1038919B Боковая дверь
В корзину
-
+
3-3. 110982-00131 Боковая дверь
В корзину
-
+
3-3. 110982-00131A Боковая дверь
В корзину
-
+
3-3. 110982-00131B Боковая дверь
В корзину
-
+
3-3. 110982-00131C Боковая дверь
В корзину
-
+
3-4. 2116-1522 Пластина
В корзину
-
+
3-4. 250201-00028 Пластина
В корзину
-
+
3-5. 2161-9052 Ограничительная пластина
В корзину
-
+
3-5. 110956-00002 Резиновый ограничительный блок
В корзину
-
+
3-5. 110956-00002A Ограничительная пластина
В корзину
-
+
4-6. 2161-9053 Резиновый ограничительный блок
В корзину
-
+
3-7. K1038920 Фиксирующая пластина
В корзину
-
+
3-8. K1001260A Ограничительный блок
В корзину
-
+
3-9. 2114-1058D45 Прокладка
В корзину
-
+
3-10. 120804-00078 Прокладка
В корзину
-
+
3-11. 120804-00078 Прокладк
В корзину
-
+
3-10. S0511853 Болт
В корзину
-
+
3-10. S0512053 Болт
В корзину
-
+
3-11. 2114-1058D30 Прокладка
В корзину
-
+
61. 120804-00079 Прокладка
В корзину
-
+
3-12. S4012733 Гайка
В корзину
-
+
3-13. S5010313 Плоская прокладка
В корзину
-
+
3-14. S0504553 Болт
В корзину
-
+
3-15. S0504453 Болт
В корзину
-
+
3-16. S5010513 Прокладк
В корзину
-
+
3-17. S0508753 Болт
В корзину
-
+
3-18. S4012633 Гайка
В корзину
-
+
3-19. Зажим
В корзину
-
+
3-20. K1000602 Гильза
В корзину
-
+
3-21. K1048085 Резиновый ограничительный блок
В корзину
-
+
3-22. K1039869B Пластина
В корзину
-
+
3-23. 623-00074B Кронштейн
В корзину
-
+
3-23. 101582-00619A Правая опора в сборе
В корзину
-
+
3-24. 623-00075B Фиксирующая пластина
В корзину
-
+
3-24. 101582-00618A Левая опора в сборе
В корзину
-
+
3-25. K1008335 Гильза
В корзину
-
+
3-26. 2705-9002 Стержень
В корзину
-
+
3-27. S4012533 Гайка
В корзину
-
+
3-28. 110947-00027 Прокладка
В корзину
-
+
26. DS0025015 Болт
В корзину
-
+
26. S0515066 Болт
В корзину
-
+
44. K1004630 Стержень замка
В корзину
-
+
47. K1045909 Пластина
В корзину
-
+
47. 250201-02833 Пластина
В корзину
-
+
47. 250201-02833A Пластина
В корзину
-
+
47. 250201-02833B Пластина
В корзину
-
+
✕
Заказать звонок
Заказать
✕
Заказать звонок
Спасибо, менеджер скоро перезвонит вам.