✕
8 800 775-77-55
О компании
Контакты
Оплата и доставка
Тендеры и гос. заказ
8 800 775-77-55
Заказать звонок
3
YC25-8
Каталог запасных частей
Инструкция по эксплуатации
Техобслуживание
Сервис
Сайт Запасные части для миниэкскаваторов Yuchai
Внутренняя отделка кабины в сборе кабины
Рукоять
Гидравлическая система для шасси
Стрела
Поворотный узел
Гидросистема управления
Электрическая сборка блока управления
Механизм управления ходового оборудования
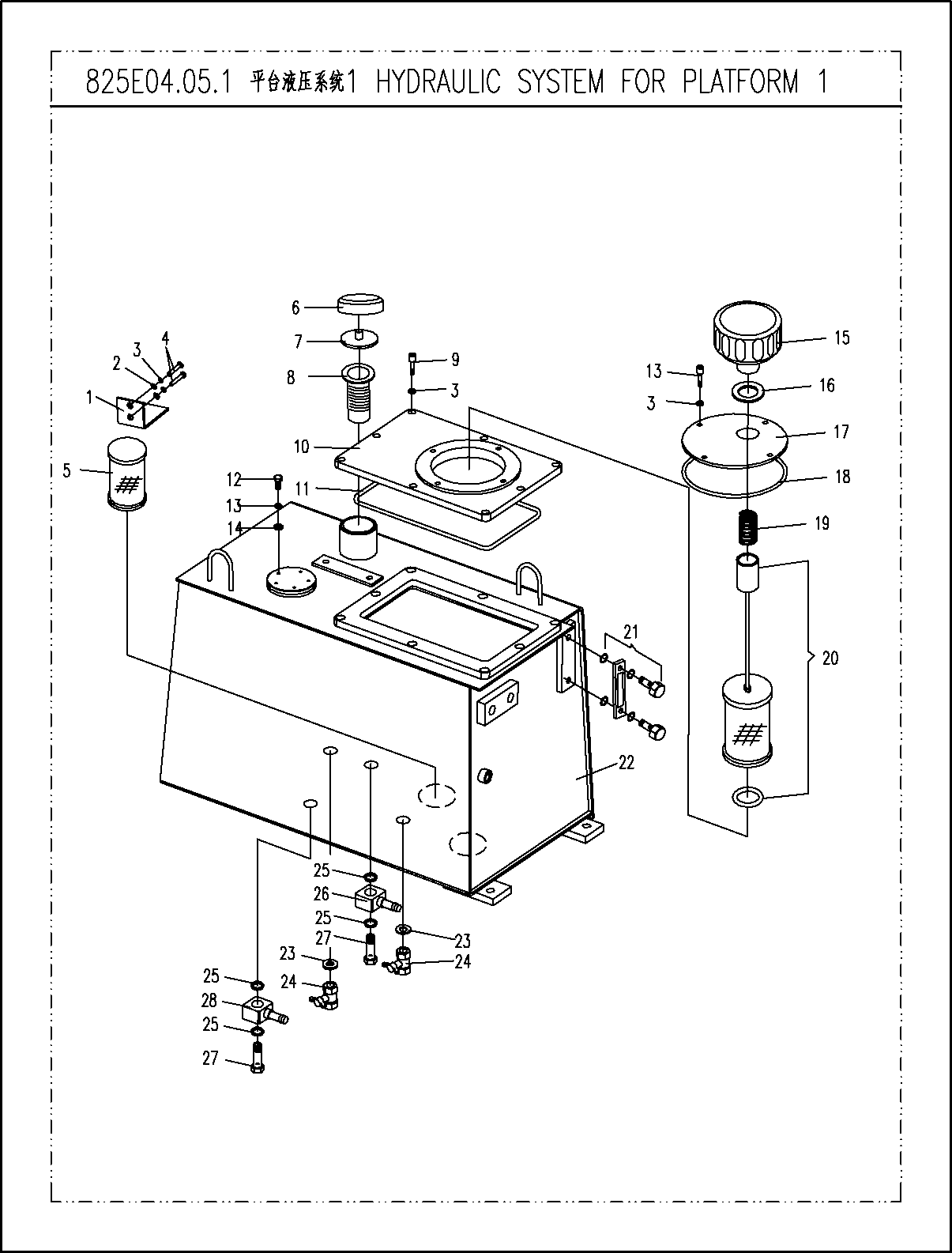
Гидравлическая система для платформы
Электрическая схема электрооборудования
Электрическая сборка емкости
Отвал бульдозера
Запчасти двигателя
Система управляющих элементов
Гидравлическая система для рабочего оборудования
Гидросистема управления
Гидравлическая система для платформы
Аккумуляторная батарея
Система подачи топлива
Вытяжная система
Гидросистема управления
Система охлаждения
Система управления дроссельной заслонкой
Электрическая сборка поворотной платформы
Шасси в сборе
Система компрессора кондиционирования воздуха
Гидросистема управления
Электрическая сборка осветительного прибора стрелы
Капот в сборе
Электрическая сборка кабины
Система подвески
Система подачи воздуха
Модуль двери кабины в сборе
Система кондиционирования воздуха
Коробка механизма управления
Гидравлическая система для платформы
Гидравлическая система для платформы
Гидравлическая система заднего хода машины
Компонент движущегося окна кабины
Компонент поворотного окна кабины
Гидравлическая система для шасси
Поворотная платформа
Гидравлическая система навесного оборудования
Гидравлическая система для платформы
Электрическая система заднего хода машины
Часть кабинного модуля
Ковш
Система выработки мощности
Капот в сборе
Скачать каталог
Запасные части для миниэкскаваторов Yuchai YC25-8
20. 0.00E+0
В корзину
-
+
2. 0404-008-03
В корзину
-
+
3. 0401-008-03
В корзину
-
+
4. 0206-000800016-63
В корзину
-
+
5. 820-0502400 Гидравлический фильтр всасывающий
В корзину
-
+
6. 801-1205002
В корзину
-
+
7. 801-1205300
В корзину
-
+
8. 801-1205400
В корзину
-
+
9. 0105-000800016-63
В корзину
-
+
11. 0602-026000530-30
В корзину
-
+
12. 0206-000500016-63
В корзину
-
+
13. 0401-005-03
В корзину
-
+
14. 0306-050-43
В корзину
-
+
15. 835-0501400
В корзину
-
+
16. 0416-027-00
В корзину
-
+
17. 830P-0501500
В корзину
-
+
18. 0602-013200265-30
В корзину
-
+
19. 820-0502002
В корзину
-
+
21. 835-0501001A
В корзину
-
+
22. 825E-0505100A
В корзину
-
+
23. 860-1205005
В корзину
-
+
24. 860-1205600
В корзину
-
+
25. 0416-014-00
В корзину
-
+
26. 830D-0501009
В корзину
-
+
27. 820-8500001
В корзину
-
+
28. 830D-0501008
В корзину
-
+
✕
Заказать звонок
Заказать
✕
Заказать звонок
Спасибо, менеджер скоро перезвонит вам.