✕
8 800 775-77-55
О компании
Контакты
Оплата и доставка
Тендеры и гос. заказ
8 800 775-77-55
Заказать звонок
21
U60
Каталог запасных частей
Инструкция по эксплуатации
Техобслуживание
Сервис
Сайт Запасные части для миниэкскаваторов Yuchai
21. HYDRAULIC SYSTEM FOR WORKING EQUIPMENT 3
40. EXHAUST SYSTEM
53. CAB DOOR
19. HYDRAULIC SYSTEM FOR WORKING EQUIPMENT 1
7. HYDRAULIC SYSTEM FOR PLATFORM 1
22. HYDRAULIC SYSTEM FOR ATTACHMENT EQUIPMENT 1
18. HYDRAULIC SYSTEM FOR PILOT PART 5
50. ELECTRICAL ASSEMBLY OF CONTROL BOX
55. CAB OVERTURN WINDOW COMPONENT
44. ENGINE SPARE PART
48. BATTERY ASSEMBLY
34. OVERLAY ASSEMBLY 3
42. POWER OUTPUT SYSTEM
3. DOZER UNIT
37. SLEWING ASSEMBLY
45. AIR-CONDITIONED COMPRESSOR SYSTEM
5. ARM
11. HYDRAULIC SYSTEM FOR PLATFORM 5
1. CHASSIS ASSEMBLY
33. OVERLAY ASSEMBLY 2
31. AIR-CONDITION SYSTEM
26. BASE PLATE ASSEMBLY
6. BUCKET
25. SEAT FRAME
2. SLEWING PLATFORM
36. OVERLAY ASSEMBLY 5
29. LEFT CONTROL BOX ASSEMBLY
54. CAB MOVEING WINDOW COMPONENT
8. HYDRAULIC SYSTEM FOR PLATFORM 2
49. ELECTRICAL ASSEMBLY FOR CAB
10. HYDRAULIC SYSTEM FOR PLATFORM 4
4. BOOM
56. INNER PLATE SUBASSEMBLY
30. RIGHT CONTROL BOX ASSEMBLY
23. HYDRAULIC SYSTEM FOR ATTACHMENT EQUIPMENT 2
51. ELECTRICAL ASSEMBLY FOR BOOM LAMP
15. HYDRAULIC SYSTEM FOR PILOT PART 2
32. OVERLAY ASSEMBLY 1
12. HYDRAULIC SYSTEM FOR PLATFORM 6
9. HYDRAULIC SYSTEM FOR PLATFORM 3
47. ELECTRICAL ASSEMBLYF OR ENGINE
16. HYDRAULIC SYSTEM FOR PILOT PART 3
20. HYDRAULIC SYSTEM FOR WORKING EQUIPMENT 2
24. HYDRAULIC SYSTEM FOR ATTACHMENT EQUIPMENT 3
27. SEAT
35. OVERLAY ASSEMBLY 4
13. HYDRAULIC SYSTEM FOR CHASSIS
17. HYDRAULIC SYSTEM FOR PILOT PART 4
14. HYDRAULIC SYSTEM FOR PILOT PART 1
46. ELECTRICAL ASSEMBLY FOR PLATFORM
39. AIR INLET SYSTEM
41. FUEL SYSTEM
28. FLOOR ADHESIVE ASSEMBLY
43. SUSPENSION SYSTEM
38. COOLING SYSTEM
52. CAB
Запасные части для миниэкскаваторов Yuchai U60
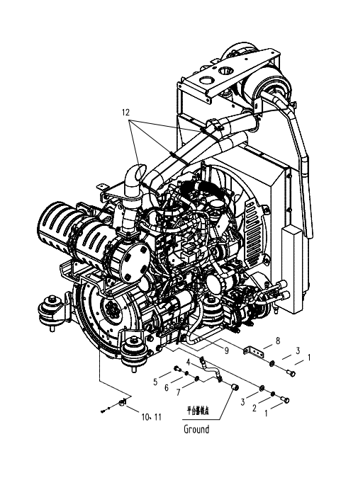
1. 0209-001202020-65 Bolt
В корзину
-
+
2. 0401-012-05 Spring washer
В корзину
-
+
3. 0404-012-05 Washer
В корзину
-
+
4. 830D-1300500 Grounding wire
В корзину
-
+
5. 0206-001000020-65 Bolt
В корзину
-
+
6. 0401-010-05 Spring washer
В корзину
-
+
7. 0404-010-05 Washer
В корзину
-
+
8. E60D1-1313001 Cable Fixed Plate
В корзину
-
+
9. T0416-060009 Cable Ties
В корзину
-
+
10. T0416-060006 Securing clip
В корзину
-
+
11. T0416-060004 Cable clip
В корзину
-
+
12. T0416-060010 Cable Ties
В корзину
-
+
✕
Заказать звонок
Заказать
✕
Заказать звонок
Спасибо, менеджер скоро перезвонит вам.