✕
8 800 775-77-55
О компании
Контакты
Оплата и доставка
Тендеры и гос. заказ
8 800 775-77-55
Заказать звонок
20
YC35SR
Каталог запасных частей
Инструкция по эксплуатации
Техобслуживание
Сервис
Сайт Запасные части для миниэкскаваторов Yuchai
Гидросистема управления
Электрическая схема электрооборудования
Отвал бульдозера
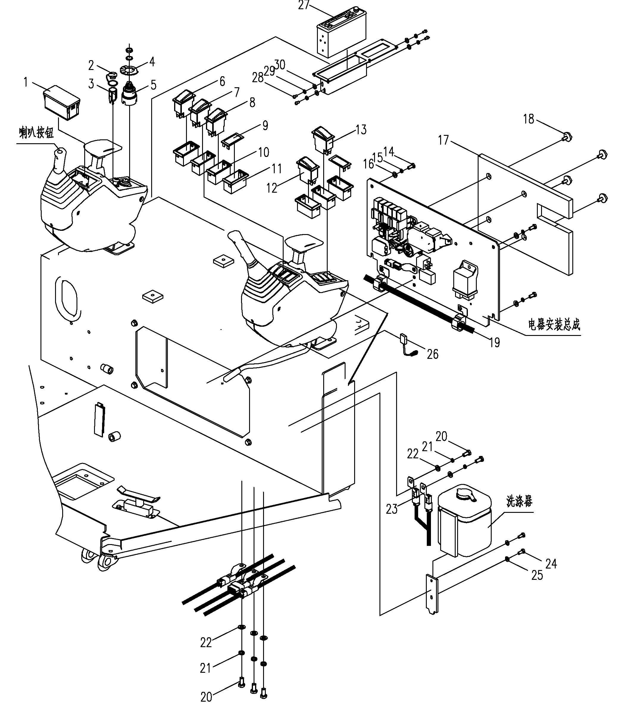
Электрическая сборка платформы
Гидравлическая система для платформы
Кабина
Запчасти двигателя
Панель в сборе
Компрессорная система кондиционера
Кабинный модуль
Гидросистема управления
Гидравлическая система для рабочего оборудования
Гидравлическая система для платформы
Гидравлическая система для платформы
Электрический узел
Аккумуляторная батарея
Система подачи топлива
Вытяжная система
Гидравлическая система ходового оборудования
Гидросистема управления
Система охлаждения
Система управления дроссельной заслонкой
Механизм управления
Шасси в сборе
Гидравлическая система для платформы
Электрическая сборка осветительного прибора стрелы
Внутренняя пластина в сборе
Система подвески
Система подачи воздуха
Гидравлическая система для платформы
Гидравлическая система для платформы
Поворотная платформа
Гидравлическая система для платформы
Панель в сборе
Ковш
Система выработки мощности
Гидросистема управления
Рукоять
Электрическая сборка двигателя
Стрела
Гидравлическая система навесного оборудования
Поворотный узел
Гидросистема управления
Система кондиционирования воздуха в сборе
Гидравлическая система ходового оборудования
Модуль кабиной двери
Электрическая сборка блока управления
Панель в сборе
Скачать каталог
Запасные части для миниэкскаваторов Yuchai YC35SR
1. T0412-010003
В корзину
-
+
2. T0416-160001
В корзину
-
+
3. T0408-01111
В корзину
-
+
4. 810H-1300101
В корзину
-
+
5. T0401-04401
В корзину
-
+
6. T0401-03237
В корзину
-
+
7. T0401-03230
В корзину
-
+
8. T0401-030002
В корзину
-
+
9. T0401-03303
В корзину
-
+
10. T0401-03302
В корзину
-
+
11. T0401-03301
В корзину
-
+
12. T0401-030023
В корзину
-
+
13. T0401-03231
В корзину
-
+
14. 0206-000800016-65
В корзину
-
+
15. 0401-008-05
В корзину
-
+
16. 0404-008-05
В корзину
-
+
17. E35B1-1316002
В корзину
-
+
18. T0812-010001
В корзину
-
+
19. E35B1-1316100B
В корзину
-
+
20. 0206-001000016-65
В корзину
-
+
21. 0401-010-05
В корзину
-
+
22. 0404-010-05
В корзину
-
+
23. T0416-06006
В корзину
-
+
24. 0206-000600012-65
В корзину
-
+
25. 0404-006-05
В корзину
-
+
26. E18B5-0617007
В корзину
-
+
27. T0409-01420
В корзину
-
+
28. 0110-000500012-65
В корзину
-
+
29. 0401-005-05
В корзину
-
+
30. 0404-005-05
В корзину
-
+
✕
Заказать звонок
Заказать
✕
Заказать звонок
Спасибо, менеджер скоро перезвонит вам.