✕
8 800 775-77-55
О компании
Контакты
Оплата и доставка
Тендеры и гос. заказ
8 800 775-77-55
Заказать звонок
7
U20
Каталог запасных частей
Инструкция по эксплуатации
Техобслуживание
Сервис
Сайт Запасные части для миниэкскаваторов Yuchai
Гидросистема управления
Гидросистема управления
Компонент движущегося окна кабины
Электрическая сборка блока управления
Гидравлическая система для платформы
Электрическая схема электрооборудования
Отвал бульдозера
Электрическая сборка платформы
Гидравлическая система для платформы
Гидравлическая система для шасси
Запчасти двигателя
Гидравлическая система для рабочего оборудования
Система кондиционирования воздуха в сборе
Гидравлическая система для платформы
Аккумуляторная батарея
Система подачи топлива
Вытяжная система
Гидросистема управления
Гидравлическая система навесного оборудования
Система охлаждения
Система управления дроссельной заслонкой
Электрическая сборка кабинного модуля
Механизм управления
Шасси в сборе
Часть кабинного модуля
Электрическая сборка осветительного прибора стрелы
Капот в сборе
Система подвески
Система подачи воздуха
Гидравлическая система для платформы
Гидравлическая система для платформы
Компонент поворотного окна кабины
Поворотная платформа
Гидравлическая система навесного оборудования
Гидравлическая система для платформы
Регулировка слева
Часть модуля кабиной двери
Ковш
Система выработки мощности
Капот в сборе
Приводной механизм
Основание в сборе
Гидравлическая система для платформы
Рукоять
Электрическая сборка двигателя
Стрела
Поворотный узел
Гидросистема управления
Скачать каталог
Запасные части для миниэкскаваторов Yuchai U20
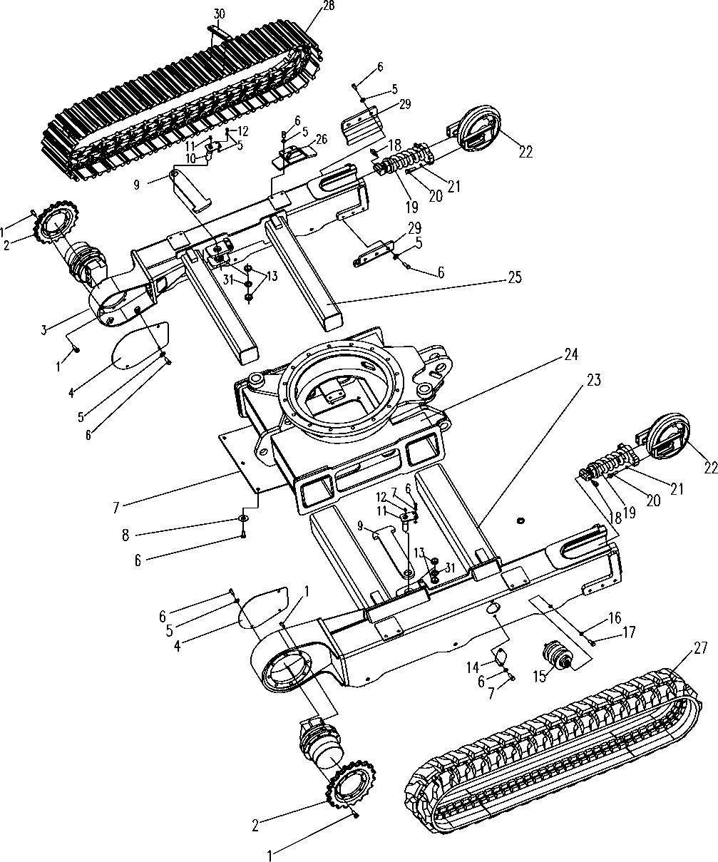
1. 0105-001000030-84
В корзину
-
+
2. E18A1-0100001
В корзину
-
+
3. E18B3-0101000C
В корзину
-
+
4. E18B3-0100007C
В корзину
-
+
5. 0404-010-05
В корзину
-
+
6. 0206-001000020-84
В корзину
-
+
7. E18B3-0100008
В корзину
-
+
8. 0403-010-05
В корзину
-
+
9. E18B3-0100011A
В корзину
-
+
10. E18B3-0100020
В корзину
-
+
11. 0703-101-03
В корзину
-
+
12. 0206-001000030-84
В корзину
-
+
13. 810N-0100009A
В корзину
-
+
14. E18B3-0100009
В корзину
-
+
15. E18A1-0104000
В корзину
-
+
16. 0414-012-05
В корзину
-
+
17. 0206-001200025-84
В корзину
-
+
18. 822-0102210
В корзину
-
+
19. E18A1-0102200
В корзину
-
+
20. 0206-001000050-65
В корзину
-
+
21. 0401-010-05
В корзину
-
+
22. E18A1-0102100
В корзину
-
+
23. E18B3-0101300B
В корзину
-
+
24. E18B3-0101200B
В корзину
-
+
25. E18B3-0101100B
В корзину
-
+
26. E18B3-0100030
В корзину
-
+
27. E16A1-2101000
В корзину
-
+
28. E15B1-2001000
В корзину
-
+
29. 801P-0100002
В корзину
-
+
30. E18B1-2003100
В корзину
-
+
31. 820-0402006
В корзину
-
+
✕
Заказать звонок
Заказать
✕
Заказать звонок
Спасибо, менеджер скоро перезвонит вам.