✕
8 800 775-77-55
О компании
Контакты
Оплата и доставка
Тендеры и гос. заказ
8 800 775-77-55
Заказать звонок
0
YC18SR
Каталог запасных частей
Инструкция по эксплуатации
Техобслуживание
Сервис
Сайт Запасные части для миниэкскаваторов Yuchai
Гидравлическая система для платформы
Гидравлическая система для платформы
Верхняя крышка
Электрическая схема электрооборудования
Отвал бульдозера
Электрическая сборка платформы
Гидравлическая система для платформы
Гидравлическая система для шасси
Запчасти двигателя
Гидравлическая система для рабочего оборудования
Гидросистема управления
Электрическая сборка блока управления
Аккумуляторная батарея
Система подачи топлива
Вытяжная система
Гидросистема управления
Гидравлическая система навесного оборудования
Система охлаждения
Система управления дроссельной заслонкой
Рукоять
Механизм управления
Шасси в сборе
Система выработки мощности
Капот в сборе
Система подвески
Система подачи воздуха
Гидравлическая система для платформы
Гидравлическая система для платформы
Поворотная платформа
Гидравлическая система навесного оборудования
Гидравлическая система для платформы
Регулировка слева
Ковш
Электрическая сборка осветительного прибора стрелы
Капот в сборе
Приводной механизм
Основание в сборе
Гидравлическая система для платформы
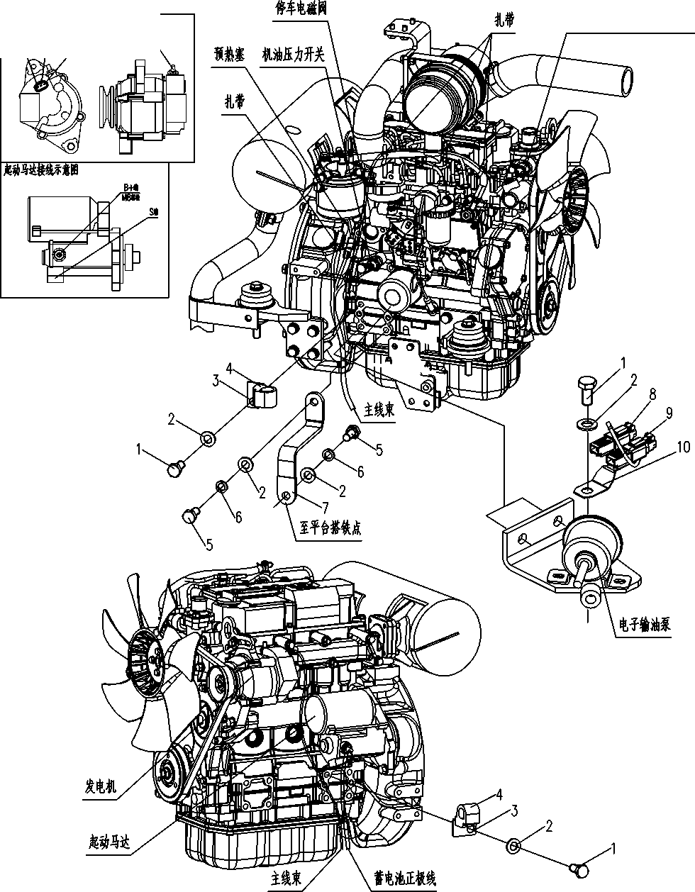
Электрическая сборка двигателя
Стрела
Поворотный узел
Гидросистема управления
Гидросистема управления
Скачать каталог
Запасные части для миниэкскаваторов Yuchai YC18SR
1. 0206-001000016-65
В корзину
-
+
2. 0404-010-05
В корзину
-
+
3. T0416-060006
В корзину
-
+
4. T0416-060003
В корзину
-
+
5. 0206-001000020-65
В корзину
-
+
6. 0401-010-05
В корзину
-
+
7. 810K-1300001
В корзину
-
+
8. T0416-06104
В корзину
-
+
9. T0416-060008
В корзину
-
+
10. T0416-06006
В корзину
-
+
✕
Заказать звонок
Заказать
✕
Заказать звонок
Спасибо, менеджер скоро перезвонит вам.