✕
8 800 775-77-55
О компании
Контакты
Оплата и доставка
Тендеры и гос. заказ
8 800 775-77-55
Заказать звонок
1
Серия 7.3 S
Каталог запасных частей
Инструкция по эксплуатации
Техобслуживание
Сервис
Сайт Запасные части для минипогрузчиков MultiOne
Соединительная пластина
Автоматическое выравнивание
Плавающая стрела
Сторона блока клапанов
Фильтры
Перекладина, сиденье и педали
Задний бампер
Поддержка двигателя
Стандартный и дополнительный рабочий свет
Сервисная гидравлическая установка
Стальной брызговик
Соединение
Телескопическая стрела
Обогреватель
Передняя пластиковая опора крышки
Электрические детали
Комплект дорожных фонарей (опционально)
Двигатель и насосы
Гидравлическая трансмиссия
Буксировочный крюк
Многосекторное соединение с адаптером комплекта быстрого соединения
Колесная распорка
Задняя пластиковая крышка
Стеклянная кабина
Подъемная стрела и усилитель рулевого управления
Переключатели
Охладитель двигателя и топливный бак
Наклейки
Термоформованные передние rev. 01
Каркас задних капотов
Детали стеклянной кабины (опционально)
Глушитель, аккумулятор и воздушный фильтр
Фитинги weo с несколькими соединителями для машин
Джойстик мульти
Резервная сигнализация
Автоматическая соединительная пластина (опция)
Защитный рычаг
Умная кабина из поликарбонатного стекла
Роскошное сиденье с подогревом
Датчик температуры воды
Гидравлическая многомуфтовая пластина, крепление 3-ходовое, навесное
Колесные двигатели
Скачать каталог
Запасные части для минипогрузчиков MultiOne Серия 7.3 S
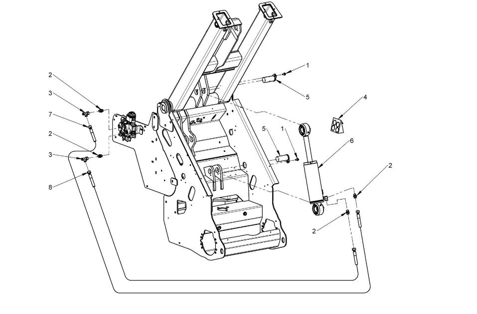
1. C019201
В корзину
-
+
2. C033001
В корзину
-
+
3. C033032
В корзину
-
+
5. C272222
В корзину
-
+
6. C281772
В корзину
-
+
7. C810367/28
В корзину
-
+
8. C810367/29
В корзину
-
+
✕
Заказать звонок
Заказать
✕
Заказать звонок
Спасибо, менеджер скоро перезвонит вам.