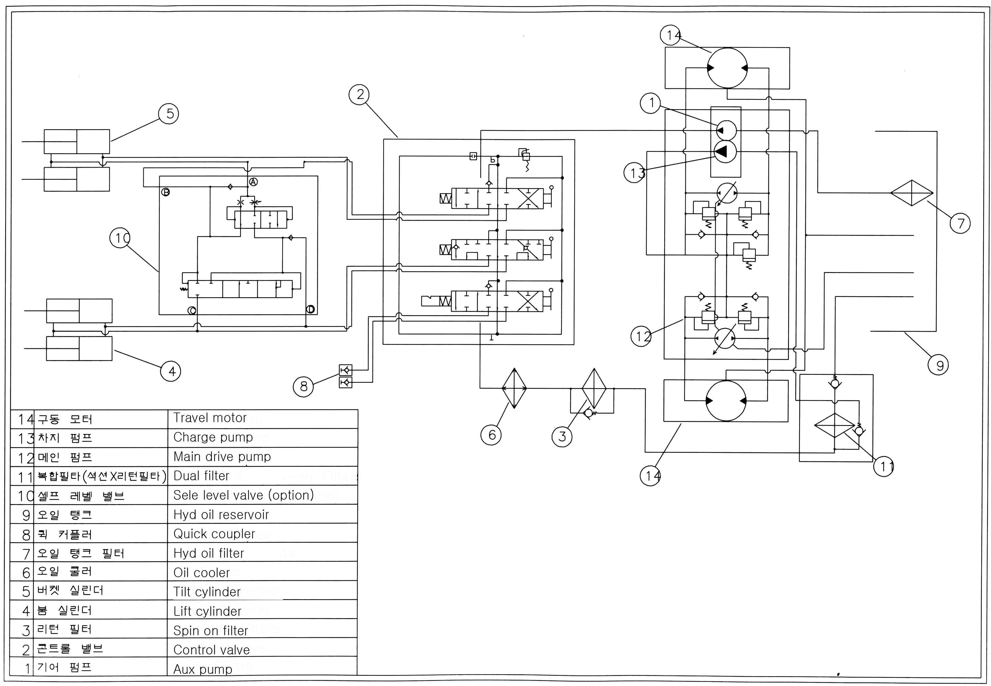
О нашем сервисе
Компания BaitekMachinery занимается не только продажей техники. Мы стараемся поддерживать теплую и дружественную связь с нашими клиентами, обеспечивая их всем необходимым. Именно для этого в нашей компании существует отдел Сервиса. Компания «Baitek Machinery» уже более 12 лет занимается обслуживанием и ремонтом любого уровня сложности минипогрузчиков Bawoo. У нас постоянный коллектив специалистов высшего уровня, которые за время работы накопили колоссальный опыт по ремонту и обслуживанию любых моделей Bawoo.Сервисные инженеры компании регулярно проходят обучение завода изготовителя. Помимо наших специалистов, мы предоставляем знания нашим дилерам, постоянно подготавливаем для них новые программы обучения и проводим инструктажи в специализированных сервисах. Инженеры досконально знают технику, поэтому сервис будет выполнен качественно и быстро.
Компания также располагает мобильной сервисной службой, специальными автомобилями, оснащенными профессиональным оборудованием и инструментом для Технического обслуживания и ремонта вашей техники в любых условиях.
Компания также располагает мобильной сервисной службой, специальными автомобилями, оснащенными профессиональным оборудованием и инструментом для Технического обслуживания и ремонта вашей техники в любых условиях.
Гарантия
Минипогрузчики Bawoo обладают гарантийным сроком 12 месяцев. Мы горячо ценим наших Клиентов, поэтому сроки рассмотрения и принятия решения в случае гарантийного случая составляют до 2-х рабочих дней. Компания Baitek Machinery и завод Bawoo очень заинтересованы в развитии рынка, поэтому каждый вопрос рассматривается в пользу интереса и потребности Клиента. Все необходимые расходные и запасные части находятся на складах представительства Bawoo в Российской Федерации, а это значит, что решение гарантийной проблемы будет осуществлено в максимально короткие сроки.



