✕
8 800 775-77-55
О компании
Контакты
Оплата и доставка
Тендеры и гос. заказ
8 800 775-77-55
Заказать звонок
2
L753
Каталог запасных частей
Инструкция по эксплуатации
Техобслуживание
Сервис
Сайт Запасные части для погрузчиков с бортовым поворотом Locust
РАБОЧЕЕ ОБОРУДОВАНИЕ2
РАМА КОМПЛЕКТНАЯ2
ГИДРАВЛИЧЕСКАЯ СИСТЕМА6
ДВИГАТЕЛЬ С ПРИНАДЛЕЖНОСТЯМИ1
УПРАВЛЕНИЕ РАСПРЕДЕЛИТЕЛЯ3
РАБОЧЕЕ ОБОРУДОВАНИЕ4
ГИДРАВЛИЧЕСКАЯ СИСТЕМА4
ОХЛАДЯЮЩАЯ СИСТЕМА2
КАБИНА4
РАБОЧЕЕ ОБОРУДОВАНИЕ1
ЭЛЕКТРООБОРУДОВАНИЕ КАБИНЫ2
РАБОЧЕЕ ОБОРУДОВАНИЕ3
ГИДРАВЛИЧЕСКАЯ СИСТЕМА5
РАМА КОМПЛЕКТНАЯ1
КАБИНА3
Кабина 4
Управление распределителя 2
Крылья
Кабина 2
ДВИГАТЕЛЬ С ПРИНАДЛЕЖНОСТЯМИ2
УПРАВЛЕНИЕ РАСПРЕДЕЛИТЕЛЯ1
ЭЛЕКТРООБОРУДОВАНИЕ РАМЫ1
ОХЛАДЯЮЩАЯ СИСТЕМА1
ЭЛЕКТРООБОРУДОВАНИЕ РАМЫ2
НАКЛЕЙКИ, ЗНАКИ2
ГИДРАВЛИЧЕСКАЯ СИСТЕМА2
КАБИНА2
КУЗОВ1
КУЗОВ2
Рабочее оборудование 2
ГИДРАВЛИЧЕСКАЯ СИСТЕМА1
ЭЛЕКТРООБОРУДОВАНИЕ РАМЫ4
ЭЛЕКТРООБОРУДОВАНИЕ РАМЫ3
ЭЛЕКТРООБОРУДОВАНИЕ КАБИНЫ1
КАБИНА1
УПРАВЛЕНИЕ РАСПРЕДЕЛИТЕЛЯ2
ГИДРАВЛИЧЕСКАЯ СИСТЕМА3
НАКЛЕЙКИ, ЗНАКИ1
Рабочее оборудование 4
Двери
Гидравлическая система 5
Привод хода левый
Щиток приборов
Отопление
Управление впрыскивающего насоса
Электрооборудование рамы 2
Рабочее оборудование 1
Кабина 3
Кузов 1
Электрооборудование рамы 1
Топливная система
Кузов 2
Управление распределителя 1
Наклейки, знаки 2
Рама комплектная 2
Управление распределителя 3
Двигатель с принадлежностями 1
Наклейки, знаки 1
Двигатель с принадлежностями 2
Гидравлическая система 2
Колесо в сборе
Электрооборудование кабины 2
Охлаждающая система 2
Охлаждающая система 1
Электрооборудование рамы 3
Рама комплектная 1
Гидравлическая система 3
Кабина 1
Гидравлическая система 1
Электрооборудование рамы 4
Гидравлическая система 6
Электрооборудование кабины 1
Привод хода правый
Рабочее оборудование 3
Гидравлическая система 4
Принадлежности
Скачать каталог
Запасные части для погрузчиков с бортовым поворотом Locust L753
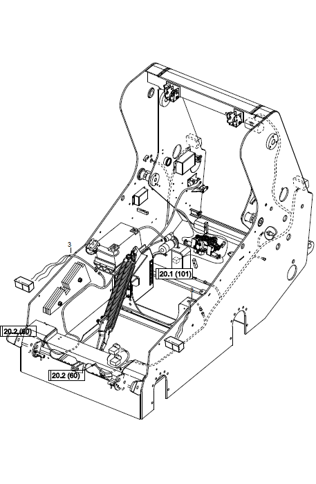
3. 11101003
В корзину
-
+
120. 14102052
В корзину
-
+
✕
Заказать звонок
Заказать
✕
Заказать звонок
Спасибо, менеджер скоро перезвонит вам.