✕
8 800 775-77-55
О компании
Контакты
Оплата и доставка
Тендеры и гос. заказ
8 800 775-77-55
Заказать звонок
6
L1203
Каталог запасных частей
Инструкция по эксплуатации
Техобслуживание
Сервис
Сайт Запасные части для погрузчиков с бортовым поворотом Locust
Колесо в сборе
Электрооборудование кабины 1
Гидравлическая система 1
Наклейки, знаки 1
Гидравлическая система 3
Рама комплектная 1
Электрооборудование рамы 3
Охлаждающая система 1
Охлаждающая система 2
Электрооборудование кабины 2
Привод хода правый
Гидравлическая система 2
Двигатель с принадлежностями 2
Рабочее оборудование 2
Кабина 2
Кузов
Крылья
Управление распределителя 2
Кабина 4
Управление распределителя 4
Электрооборудование рамы 2
Двигатель с принадлежностями 1
Управление распределителя 3
Рама комплектная 2
Наклейки, знаки 2
Управление распределителя 1
Топливная система
Электрооборудование рамы 1
Кабина 3
Рабочее оборудование 1
Кабина 1
Управление впрыскивающего насоса
Отопление
Щиток приборов
Привод хода левый
Гидравлическая система 5
Двери
Принадлежности
Гидравлическая система 4
Рабочее оборудование 3
Скачать каталог
Запасные части для погрузчиков с бортовым поворотом Locust L1203
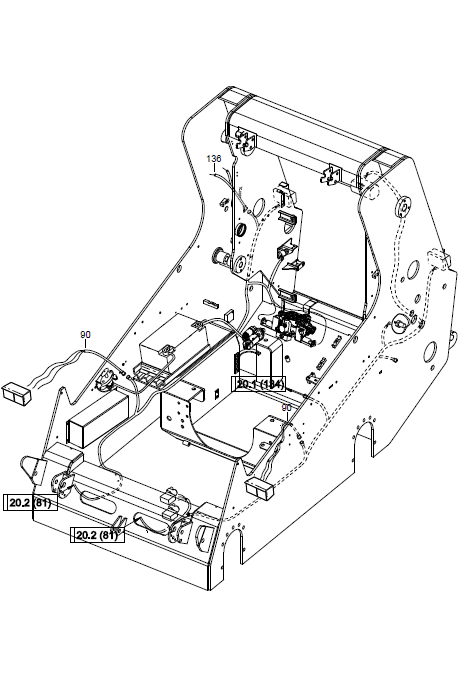
90. 12201106
В корзину
-
+
136. 08201136
В корзину
-
+
✕
Заказать звонок
Заказать
✕
Заказать звонок
Спасибо, менеджер скоро перезвонит вам.